Sign In | Join Free | My himfr.com
Home > Digital Metallurgical Microscope >

Halogen Lamp Upright Trinocular Metallurgical Microscope with DIC and Infinity

Halogen Lamp Upright Trinocular Metallurgical Microscope with DIC and Infinity

Halogen Lamp Upright Trinocular Metallurgical Microscope with DIC and Infinity

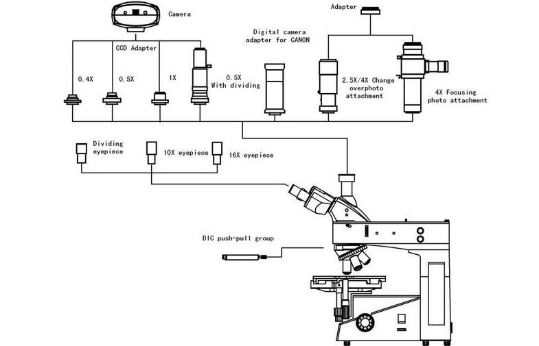
Halogen Lamp Upright Trinocular Metallurgical Microscope with DIC and Infinity System Brief Introduction: iqualitrol upright metallurgical microscopes are available in both binocular and trinocular ...

Send your message to this supplier
 
*From:
*To: Dongguan Quality Control Technology Co., Ltd.
*Subject:
*Message:
Characters Remaining: (0/3000)